MODELO DESCONTINUADO
Para novas aplicações, recomendamos as novas calhas E4/light, série R18840, tecnicamente otimizadas.
+25% mais de comprimento sem suporte, maior robustez e resistência à tração, mesmas dimensões e montagem
A série R188 está disponível em quantidades limitadas em stock. O suporte ao produto e o stock foram limitados a partir de 2012. Para qualquer esclarecimento, entre em contacto com os técnicos da igus®. Agradecemos a sua compreensão
Calhas articuladas E4/light, série R18840
Pode realizar aqui a configuração individual do seu Sistema de Calha Articulada. As especificações e alterações introduzidas são registadas na lista de peças que se encontra localizada no fim da página.
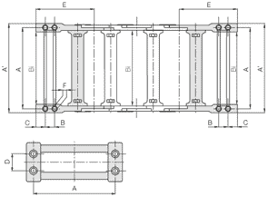
Calhas tapadas série R188
1.Terminal de fixação KMA
2. Disponíveis terminais de fixação rígidos ou oscilantes
3. R188: Tampa giratória e amovível
4. R188: Tampa amovível
5. Tubo e Calha combináveis
6. Elementos para abraçadeiras integráveis
7. 140/141:Travessas amovíveis dos dois lados
Larguras interiores Bi disponíveis: 50 a 462 mm
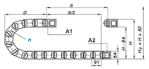
Raios de curvatura disponíveis R: 150 a 500 mm
Passo: 91 mm por elo = 11 elos/m