Series 151

Modelo de eliminação gradual
151.05.150.0 product image
igus-icon-lupe
151.05.150.0 technical drawing
igus-icon-lupe
1 de 2
151.05.150.0 product image
151.05.150.0 technical drawing
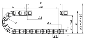
Altura interna [Hi]
Altura interna [Hi]
80 mm
Diâmetro máx. do cabo
Diâmetro máx. do cabo
74 mm
Princípio de abertura
Princípio de abertura
Pode ser aberto ao longo do raio interno e externo
Largura interna [Bi]
Largura interna [Bi]
50 mm
Raio de curvatura [R]
Raio de curvatura [R]
150 mm
Não tem certeza de que encaixa?

Consultoria

Terei muito prazer em esclarecer suas dúvidas pessoalmente

Consulta e entrega

Pessoalmente:
Segunda - sexta-feira: 7h30 - 17h18h
Online:
Serviço de chat
Segunda a quinta-feira: das 8h às 18h
Sexta-feira: das 8h às 17h
Serviço WhatsApp
Segunda a sexta-feira: das 8h às 16h
O que você acha de nosso site? Nos dê seu feedback.
igus-icon-globeIdioma:Português|País:Brasil

Os termos "Apiro", "AutoChain", "CFRIP", "chainflex", "chainge", "chains for cranes", "ConProtect", "cradle-chain", "CTD", "drygear", "drylin", "dryspin", "dry-tech", "dryway", "easy chain", "e-chain", "e-chain systems", "e-ketten", "e-kettensysteme", "e-loop", "energy chain", "energy chain systems", "enjoyneering", "e-skin", "e-spool", "fixflex", "flizz", "i.Cee", "ibow", "igear", "iglidur", "igubal", "igumid", "igus", "igus improves what moves", "igus:bike", "igusGO", "igutex", "iguverse", "iguversum", "kineKIT", "kopla", "manus", "motion plastics", "motion polymers", "motionary", "plastics for longer life", "print2mold", "Rawbot", "RBTX", "readycable", "readychain", "ReBeL", "ReCyycle", "reguse", "robolink", "Rohbot", "savfe", "speedigus", "superwise", "take the dryway", "tribofilament", "tribotape", "triflex", "twisterchain", "when it moves, igus improves", "xirodur", "xiros" and "yes" são marcas comerciais legalmente protegidas da igus® SE & Co. KG/ Colonia na República Federal da Alemanha e, quando aplicável, em alguns países estrangeiros. Essa é uma lista não exaustiva de marcas registradas (por exemplo pedidos de marcas comerciais pendentes ou marcas registradas) da igus SE & Co. KG ou de empresas afiliadas da igus na Alemanha, na União Europeia, nos EUA e/ou em outros países ou jurisdições.

igus® SE & Co. KG aponta que não vende nenhum produto das empresas Allen Bradley, B&R, Baumüller, Beckhoff, Lahr, Control Techniques, Danaher Motion, ELAU, FAGOR, FANUC, Festo, Heidenhain, Jetter, Lenze, LinMot, LTi DRiVES, Mitsibushi, NUM,Parker, Bosch Rexroth, SEW, Siemens, Stöber e todos os outros fabricantes de acionamentos mencionados neste website. Os produtos oferecidos pela igus® são os da igus® SE & Co. KG