Alterar idioma :
Dinâmica em alumínio ou aço inoxidável
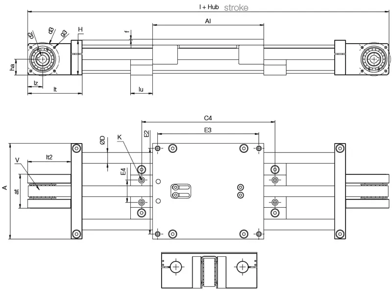
Eixos de correia dentada em 3 distâncias centrais de 120/160/200 mm. Com a extensão das distâncias entre os centros, o eixo linear oferece maior absorção de torque. O novo eixo linear modular também impressiona pela dinâmica aprimorada e pela absorção de cargas maiores. O eixo de correia dentada está disponível completamente feito de alumínio anodizado ou aço inoxidável livre de corrosão.

De segunda a sexta-feira, das 8:00 às 17:00 horas.
Online:
24h