Alterar idioma :
Verifique se as distâncias entre as forças aplicadas estão dentro dos valores permitidos (consulte as distâncias máximas permitidas).
| Variante: | 1 trilho | 1 carrinho |
|---|---|---|
| sy + sz | < | 2 Lx - Y0 |
| ay + az | < | 2 Lx - Y0 |
| sy | < | 5 Zm |
| sz | < | 5 Zm |

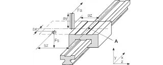
A = Origem da coordenada
Cálculo da força de acionamento necessária
| Fa: | força de acionamento | [N] |
| Fs: | Força de massa | [N] |
| Fy, Fz: | Carga de rolamento na direção y ou z | [N] |
| sx, sy, sz: | Distância da força inercial na direção x, y ou z | [mm] |
| ay, az: | Distância da força de acionamento na direção y ou z | [mm] |
| wx: | Distância entre os vagões em um trilho | [mm] |
| LX: | Constante dependente do tamanho | [mm] |
| Zm: | Constante dependente do tamanho | [mm] |
| Y0: | Constante dependente do tamanho | [mm] |
| b: | Distância entre os trilhos de guia | [mm] |
| µ: | coeficiente de atrito, µ = 0 para cargas estáticas, µ = 0,2 para cargas dinâmicas | |
| ZW: | Número de slides por trilho |
Calcular a carga máxima do rolamento
| Número de pedido | LX [mm] | ZM [mm] | Y0 [mm] |
|---|---|---|---|
| TW-01-15 | 29 | 16 | 11,5 |
| TW-01-20 | 35 | 23 | 15,0 |
| TW-01-25 | 41 | 25 | 19,0 |
| TW-01-30 | 49 | 29 | 21,5 |
| 1 trilho, 1 carrinho | |
|---|---|
| K1 | |(ay+Y0)/Lx| |
| K2 | (sy+Y0)/Lx |
| K3 | |az/Lx| |
| K4 | |sx/Lx| |
| K5 | sz/Lx |
| K6 | |(sy+Y0)/Zm| |
| K7 | |sz/Zm| |
Verifique a carga máxima do rolamento mais carregado com a carga calculada na etapa nº 4.
| Número de pedido | Fymax, Fzmax [N] |
|---|---|
| TW-01-15 | 2.000 |
| TW-01-20 | 3700 |
| TW-01-25 | 5.000 |
| TW-01-30 | 7.000 |

para determinar a velocidade máxima permitida para a carga de rolamento determinada.
X = carga de rolamento cêntrica [N]
Y = velocidade média permitida [m/s]
Determinação da velocidade máxima permitida para a carga a partir da etapa nº 4

De segunda a sexta-feira, das 8:00 às 17:00 horas.
Online:
24h