Selecione o local de entrega

A seleção do país/região pode influenciar vários fatores, tais como preço, opções de envio e disponibilidade de produtos.
Contato responsável
igus® do Brasil Ltda

Rua Antônio Christi, Nº 611

Parque Industrial III - FAZGRAN

13213-183 – Jundiaí-SP

+55 11 3531 4487
+55 11 3531 4488
BR(PT)

Esteira porta cabos de escritório OCO - Estudo de design

Fácil de preencher com design "fácil"

As esteiras porta cabos OCO.20 são sistemas de esteiras porta cabos simples para escritórios. Não possui raio definido e pode ser movido em duas direções. Pode ser encurtado ou alongado com muita facilidade. Os suportes de montagem são muito parecidos com os elos da esteira e diferem nos ímãs incorporados com os quais o OCO pode ser facilmente conectado a uma mesa de metal. Também é possível uma conexão de fuso para montagem na mesa, para a qual são fornecidos dois pequenos furos.
Enviar uma solicitação agora

Aumentar a tecnologia

Aumentar a tecnologia

  • Design otimizado
  • Encaixe flexível
  • Fácil de prolongar e encurtar
  • Suportes de montagem com ímãs montados para
    fixação fácil
  • Boa força de retenção da esteira elos de até 150N
Reduzir custos

Reduzir custos

  • Economize tempo e custo de instalação com preenchimento sem ferramentas devido ao design "fácil"
  • Encomende para o comprimento necessário
  • Compra econômica
Comprovado

Comprovado

  • Teste de tração da esteira OCO.20 à força de retenção: em protótipos impressos em 3D sujeitos a testes de tração bem-sucedidos, verificou-se uma força de retenção de 420 N
Sustentabilidade

Sustentabilidade

  • Livre de bisfenol A (sem BPA)
  • 100% livre de halogênio, particularmente adequado para uso  em edifícios públicos
  • Faça com que suas esteiras porta cabos sejam recicladas como parte do programa de reciclagem da igus chainge no final
    de seu ciclo de vida. Independentemente do fabricante. E receba um comprovante do programa de reciclagem chainge
  • A igus apóia a economia circular dos plásticos  e investe em reciclagem química

Esteiras porta cabos para escritório OCO.20


É simples:

A abertura de acordo com o princípio fácil não está no meio, mas cambaleando para o lado. Ao instalar os elos da esteira alternadamente, as aberturas são escalonadas, o que garante que os cabos possam ser facilmente inseridos, mas ao mesmo tempo não podem cair.
Esteiras porta cabos para escritório OCO.20

 
Ímãs integrados para fácil fixação em mesas de metal
Esteiras porta cabos para escritório OCO.20

 
Conexão de fuso também possível como opção

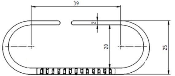
Dados técnicos

Esteira porta cabos de escritório OCO.20 - Dados técnicos


CódigoAltura internaAltura externaLargura internaLargura externa
OCO.2020 mm25 mm39 mm64 mm

Disponível sob consulta
 
Enviar uma solicitação agora

Produtos similares

Esteira porta cabos de escritório OCR

Esteira porta cabos de escritório OCR

Grampos de montagem magnéticos para conexão intermediária gratuita e fácil recorte na esteira
Esteira porta cabos de escritório ZF14

Esteira porta cabos de escritório ZF14

Os cabos são montados rapidamente. Esteira porta cabos rapidamente conectada e certificação UL94-V2
triflex R

Esteira porta cabos triflex R de 3 eixos

Design fácil - para enchimento simples e rápido. Aproximadament +/- 10 ° de torção por elo da esteira

Mais informações

Novidades de 2020

Visão geral das novidades da esteiras porta cabos e-chain® 2020

Descubra aqui mais novidades sobre as esteiras porta cabos 2020 para diferentes aplicações.
Catálogo de novos produtos 2020

Catálogo de produtos de novidades 2020

Todas as informações que você precisa sobre nossos novos produtos e adicionais a gama de produtos no catálogo gratuito.
Esteiras porta cabos

Esteiras porta cabos

Possibilidade de instalação em diferentes ambientes e espaços.  Grande seleção de produtos – encontre rapidamente a melhor solução para você. Com 36 meses de garantia

Consulta

Teremos muito prazer em esclarecer as suas dúvidas e perguntas pessoalmente

Envio e consulta

Pessoalmente:

De segunda à sexta das 7:30 às 17:18

Online:

24h