Selecione o local de entrega

A seleção do país/região pode influenciar vários fatores, tais como preço, opções de envio e disponibilidade de produtos.
Contato responsável
igus® do Brasil Ltda

Rua Antônio Christi, Nº 611

Parque Industrial III - FAZGRAN

13213-183 – Jundiaí-SP

+55 11 3531 4487
+55 11 3531 4488
BR(PT)

drylin® N - Low profile linear guide system NK-02-27

Order no. Max. rail lengths a C4 A3 C5=C6 h h1 K1* ly lz Weight of rail Price / m  
  [L max.]       Min. max.       [mm2] [mm2] [g/m]    
Prontos para envio à partir de 10 dias úteis NS-01-27 3000 27 60 0 20 20/49,5 9 1,1 M4 6524 588 290 R$ 155,05 Colocar no carrinho de compras
Prontos para envio à partir de 10 dias úteis NS-01-27-UNGEBOHRT 3000 27 0 0 0 9 1,1 0 6524 588 290 R$ 99,01 Colocar no carrinho de compras
Prontos para envio à partir de 10 dias úteis NS-01-27-AR 3000 27 60 0 20 20/49,5 9 1,1 M4 6524 588 290 R$ 351,34 Colocar no carrinho de compras
Mais sobre a peça selecionada:
3D-CAD 3D-CAD
Encomenda de amostras Encomenda de amostras
PDF PDF
Solicitação de cotação Solicitação de cotação
myCatalog myCatalog

For unbored rails please indicate "Unbored" in the remark.
* for cylinder screw with low head

Version 01: Carriage with mounting nuts

Order no. Designation Weight of carriage    
    [g]    
Prontos para envio à partir de 24 horas NW-02-27-HT Patins fixado para temperaturas até 130°C 12,5 R$ 86,69 Colocar no carrinho de compras
Prontos para envio à partir de 24 horas NW-02-27-P Patins com pré-tensão 12,5 R$ 48,09 Colocar no carrinho de compras
Prontos para envio à partir de 10 dias úteis NW-02-27-LLY Patins, patins flutuante direção y 12,5 R$ 51,11 Colocar no carrinho de compras
Prontos para envio à partir de 24 horas NW-02-27-LLZ Patins, patins flutuante direção z 12,5 R$ 48,09 Colocar no carrinho de compras
Prontos para envio à partir de 10 dias úteis NW-02-27-LLYZ Patins, patins flutuante direção y e z 12,5 R$ 48,09 Colocar no carrinho de compras
Mais sobre a peça selecionada:
3D-CAD 3D-CAD
Encomenda de amostras Encomenda de amostras
PDF PDF
Solicitação de cotação Solicitação de cotação
myCatalog myCatalog

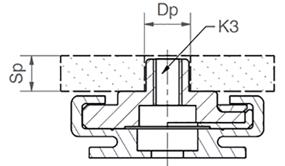
Version 01: Dimensions [mm] - guide carriages

Part. No. H A C C1 C2 A2 H2 K2 K3 K4 Spmin. DpØmin. Weight
  ±0,35                       [g/m]
Prontos para envio à partir de 24 horas NW-02-27-HT 9,5 14 40 30 20 0 0 6,5 12,5
Prontos para envio à partir de 24 horas NW-02-27-P 9,5 14 40 30 20 0 0 M4 5 6,5 12,5
Prontos para envio à partir de 10 dias úteis NW-02-27-LLY 9,5 14 40 30 20 0 0 M4 5 6,5 12,5
Prontos para envio à partir de 24 horas NW-02-27-LLZ 9,5 14 40 30 20 0 0 M4 5 6,5 12,5
Prontos para envio à partir de 10 dias úteis NW-02-27-LLYZ 9,5 14 40 30 20 0 0 M4 5 6,5 12,5
Mais sobre a peça selecionada:
3D-CAD 3D-CAD
Encomenda de amostras Encomenda de amostras
PDF PDF
Solicitação de cotação Solicitação de cotação
myCatalog myCatalog

Version 12: Carriage with threaded hole, injection-molded

Order no. Designation Weight of carriage    
    [g]    
Prontos para envio à partir de 10 dias úteis NW-12-27-LLY Patins moldado por injeção, patins flutuante direção y 13 R$ 47,48 Colocar no carrinho de compras
Prontos para envio à partir de 10 dias úteis NW-12-27-LLZ Patins moldado por injeção, patins flutuante direção z 13 R$ 47,48 Colocar no carrinho de compras
Prontos para envio à partir de 10 dias úteis NW-12-27-LLYZ Patins moldado por injeção, patins flutuante direção y e z 13 R$ 47,48 Colocar no carrinho de compras
Mais sobre a peça selecionada:
3D-CAD 3D-CAD
Encomenda de amostras Encomenda de amostras
PDF PDF
Solicitação de cotação Solicitação de cotação
myCatalog myCatalog

Version 12: Dimensions [mm] - guide carriages

Part. No. H A C C1 C2 A2 H2 K2 K3 K4 Spmin. DpØmin. Weight
  ±0,35                       [g/m]
Prontos para envio à partir de 10 dias úteis NW-12-27-LLY 9,5 14 34 30 20 0 0 M4 5 6,5 13
Prontos para envio à partir de 10 dias úteis NW-12-27-LLZ 9,5 14 34 30 20 0 0 M4 5 6,5 13
Prontos para envio à partir de 10 dias úteis NW-12-27-LLYZ 9,5 14 34 30 20 0 0 M4 5 6,5 13
Mais sobre a peça selecionada:
3D-CAD 3D-CAD
Encomenda de amostras Encomenda de amostras
PDF PDF
Solicitação de cotação Solicitação de cotação
myCatalog myCatalog

Ordering of a complete system

Configuration in few steps:

1. Selection of the number of carriages
2. Selection of the type of carriagel
3. Entry of the rail length in mm
4. Selection of the carriage options
5.

Hint:

Detailed information can be found below in the drawings as well as in the below-mentioned pages. You can obtain precise specifications on the floating bearing options within the design rules.
1

no floating bearing

2

Floating bearing in z-direction

3

Floating bearing in y-direction

4

Floating bearing in yz-direction

drylin® NK – complete set

Step 1

Enter the required number of carriages.

technical drawing
No. of carriages:


Prontos para envio à partir de 24 horas
Prontos para envio à partir de 10 dias úteis

Consulta

Teremos muito prazer em esclarecer as suas dúvidas e perguntas pessoalmente

Envio e consulta

Pessoalmente:

De segunda à sexta das 7:30 às 17:18

Online:

24h