Selecione o local de entrega

A seleção do país/região pode influenciar vários fatores, tais como preço, opções de envio e disponibilidade de produtos.
Contato responsável
igus® do Brasil Ltda

Rua Antônio Christi, Nº 611

Parque Industrial III - FAZGRAN

13213-183 – Jundiaí-SP

+55 11 3531 4487
+55 11 3531 4488
BR(PT)

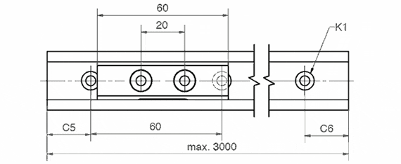
drylin® N carriage for low profile linear guide system with pretension NW-21-27-60P

Order no. Max. rail lengths a C4 A3 C5=C6 h h1 K1* ly lz Weight of rail Price / m  
  [L max.]       Min. max.       [mm2] [mm2] [g/m]    
Prontos para envio à partir de 10 dias úteis NS-01-27 3000 27 60 0 20 20/49,5 9 1,1 M4 6524 588 290 R$ 155,05 Colocar no carrinho de compras
Prontos para envio à partir de 10 dias úteis NS-01-27-UNGEBOHRT 3000 27 0 0 0 9 1,1 0 6524 588 290 R$ 99,01 Colocar no carrinho de compras
Prontos para envio à partir de 10 dias úteis NS-01-27-AR 3000 27 60 0 20 20/49,5 9 1,1 M4 6524 588 290 R$ 351,34 Colocar no carrinho de compras
Mais sobre a peça selecionada:
3D-CAD 3D-CAD
Encomenda de amostras Encomenda de amostras
PDF PDF
Solicitação de cotação Solicitação de cotação
myCatalog myCatalog

For unbored rails please indicate "Unbored" in the remark.
* for cylinder screw with low head

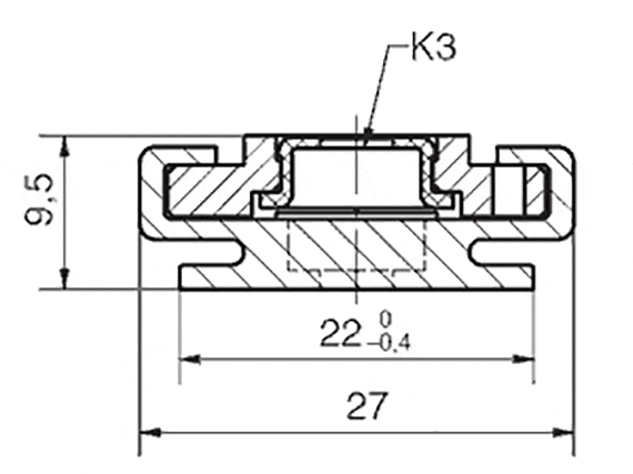
Version 21: Solid polymer carriage with through hole

Order no. Weight of carriage    
  [g]    
Prontos para envio à partir de 24 horas NW-21-27-60-P 9 R$ 61,32 Colocar no carrinho de compras
Prontos para envio à partir de 24 horas NW-31-27-60-P 9 R$ 60,36 Colocar no carrinho de compras
Prontos para envio à partir de 24 horas NW-32-27-60-P 12 R$ 56,79 Colocar no carrinho de compras
Mais sobre a peça selecionada:
3D-CAD 3D-CAD
Encomenda de amostras Encomenda de amostras
PDF PDF
Solicitação de cotação Solicitação de cotação
myCatalog myCatalog

Ordering of a complete system

Configuration in few steps:

1. Selection of the number of carriages
2. Selection of the type of carriage
3. Entry of the rail length in mm
4. Selection of the carriage options
5. Selection of the rails options.

Note:

Detailed information can be found above in the drawings and tables, as well as in the below mentioned pages. You can obtain precise specifications on the floating bearing options within the design rules.

drylin® NK-21-27-60P – complete system

Step 1

Enter the required number of carriages.

technical drawing
No. of carriages:

Static load capacity and moments of inertia of an area

Prontos para envio à partir de 24 horas
Prontos para envio à partir de 10 dias úteis

Consulta

Teremos muito prazer em esclarecer as suas dúvidas e perguntas pessoalmente

Envio e consulta

Pessoalmente:

De segunda à sexta das 7:30 às 17:18

Online:

24h