Selecione o local de entrega

A seleção do país/região pode influenciar vários fatores, tais como preço, opções de envio e disponibilidade de produtos.
Contato responsável
igus® do Brasil Ltda

Rua Antônio Christi, Nº 611

Parque Industrial III - FAZGRAN

13213-183 – Jundiaí-SP

+55 11 3531 4487
+55 11 3531 4488
BR(PT)

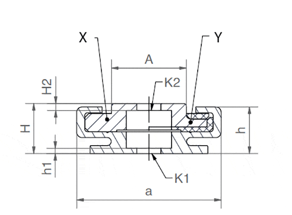
drylin® N - Low profile linear guide system NK-12-27-80

Version 02 - standard with threaded pin
Part No. Max. rail lengths a C4 A3 C5=C6 h h1 K1* ly lz Rail weight Price / m  
  [L max.]       Min. max.       [mm2] [mm2] [g/m]    
Prontos para envio à partir de 10 dias úteis NS-01-27 3000 27 60 0 20 49,5 9 1,1 M4 6524 588 290 R$ 155,05 Colocar no carrinho de compras
Prontos para envio à partir de 10 dias úteis NS-01-27-UNGEBOHRT 3000 27 0 0 9 1,1 0 6524 588 290 R$ 99,01 Colocar no carrinho de compras
Prontos para envio à partir de 10 dias úteis NS-01-27-AR 3000 27 60 0 20 49,5 9 1,1 M4 6524 588 290 R$ 351,34 Colocar no carrinho de compras
Mais sobre a peça selecionada:
3D-CAD 3D-CAD
Encomenda de amostras Encomenda de amostras
PDF PDF
Solicitação de cotação Solicitação de cotação
myCatalog myCatalog

For unbored rails please indicate "Unbored" in the remark.
* for cylinder screw with low head

Version 12 - coated with threaded hole:

Order no. Designation Weight of carriage    
    [g]    
Prontos para envio à partir de 10 dias úteis NW-12-27-80-LLZ Patins, patins flutuante direção z 25 R$ 95,36 Colocar no carrinho de compras
Prazo de entrega sob consulta NW-12-27-80-LLY Patins, patins flutuante direção y 25 R$ 95,36 Colocar no carrinho de compras
Prontos para envio à partir de 10 dias úteis NW-12-27-80-LLYZ Patins, patins flutuante direção y e z 25 R$ 89,71 Colocar no carrinho de compras
Mais sobre a peça selecionada:
3D-CAD 3D-CAD
Encomenda de amostras Encomenda de amostras
PDF PDF
Solicitação de cotação Solicitação de cotação
myCatalog myCatalog

Version 12: Dimensions [mm] - guide carriages

Part No. H A C C1 C2 H2 K K3 Spmin. DpØmin. Weight    
  ±0,35                       [g/m]    
Prontos para envio à partir de 10 dias úteis NW-12-27-80-LLZ 9,5 14 80 76 60 0 0 M4 5 6,5 25 R$ 95,36 Colocar no carrinho de compras
Prazo de entrega sob consulta NW-12-27-80-LLY 9,5 14 80 76 60 0 0 M4 5 6,5 25 R$ 95,36 Colocar no carrinho de compras
Prontos para envio à partir de 10 dias úteis NW-12-27-80-LLYZ 9,5 14 80 76 60 0 0 M4 5 6,5 25 R$ 89,71 Colocar no carrinho de compras
Mais sobre a peça selecionada:
3D-CAD 3D-CAD
Encomenda de amostras Encomenda de amostras
PDF PDF
Solicitação de cotação Solicitação de cotação
myCatalog myCatalog

Ordering of a complete system

Configuration in few steps:

1. Selection of the number of carriages
2. Selection of the type of carriage
3. Entry of the rail length in mm
4. Selection of the carriage options
5. Selection of the rails options.

Hint:

Detailed information can be found below in the drawings as well as in the below-mentioned pages. You can obtain precise specifications on the floating bearing options within the design rules.
1

no floating bearing

2

Floating bearing in z-direction

3

Floating bearing in y-direction

4

Floating bearing in yz-direction

drylin® NK-12-27-80 – complete system

Step 1

Enter the required number of carriages.

technical drawing
No. of carriages:

X = Version: one-piece | Y = Version: multi-piece


Prontos para envio à partir de 10 dias úteis
Prazo de entrega sob consulta

Consulta

Teremos muito prazer em esclarecer as suas dúvidas e perguntas pessoalmente

Envio e consulta

Pessoalmente:

De segunda à sexta das 7:30 às 17:18

Online:

24h